|
15 | Heizung mit Metallgehäuse 1963-68. Als Neuteile gibt es nur den Wärmetauscher |
|
(150,00) | |||||||||
| 16 | Wärmetauscher 115mm Abstand |
17H8608 |
130,00
|
||||||||||
| 19 | Lüftermotor mit Lüfterflügel gebraucht | 27H2189 | |
(70,00) | |||||||||
| Heizung mit Kunststoffgehäuse 1968-69. Als Neuteile gibt es nur den Wärmetauscher | |
(70,00) |
|||||||||||
| 39 | Wärmetauscher | 17H8608 |
130,00
|
||||||||||
| 38 | Kunststoffgehäuse
1968-69 gebraucht |
|
(70,00) | ||||||||||
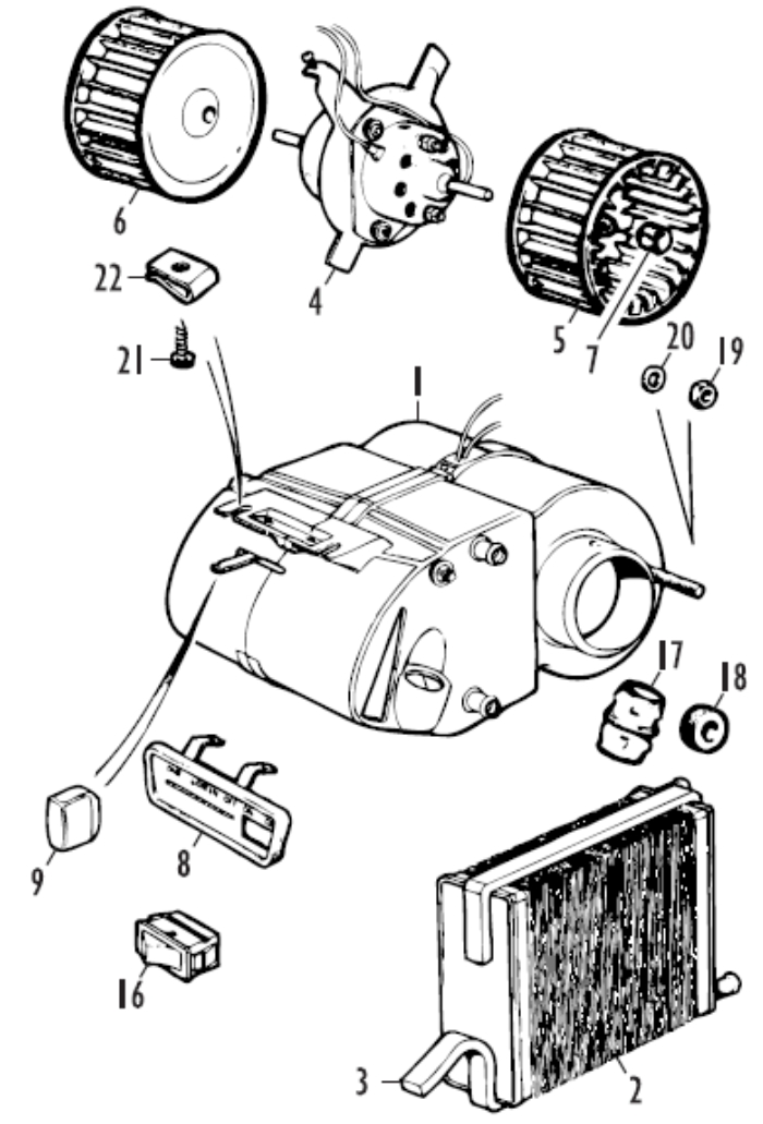
| 1 | Heizung mit Kunststoffgehäuse 1969-84. Als Neuteile gibt es fast nur den Wärmetauscher 17H8608, alle anderen Artikel nur noch als Gebrauchtteile. | |
|||||||||||
| 1 | Kunststoffgehäuse leer | |
(70,00) | ||||||||||
| 2 | Wärmetauscher 17H8608 | 17H8608 |
130,00
|
||||||||||
| 4/5/6 | Lüftermotor mit 2 Lüfterflügeln (Hamsterkäfig) | |
(70,00) | ||||||||||
| 16 | Einstufenschalter Gebläse | YUF101090 |
11,40
|
||||||||||
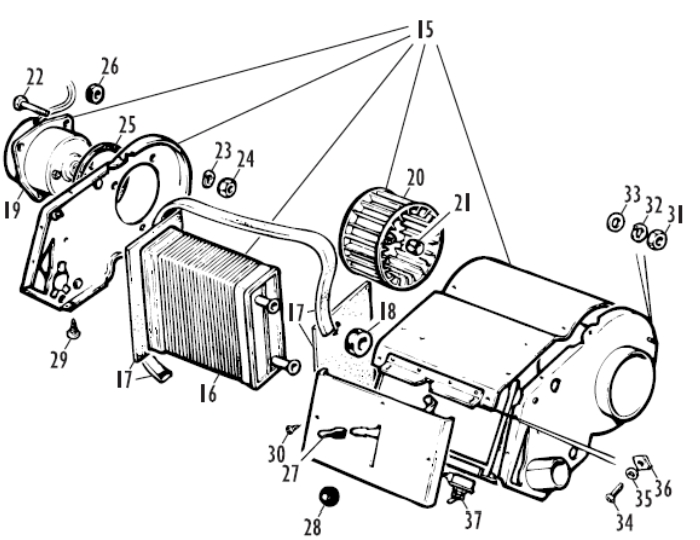
| Heizung
mit Metallgehäuse 1984-92. Als Neuteile gibt es fast nur noch folgende
Teile |
|
||||||||||||
| 24 | Wärmetauscher | BAU5043 |
78,00
|
||||||||||
| 24 | Wärmetauscher aus Metall nicht original aber solider MS | BAU5043M |
115,00
|
||||||||||
| 23 | Anschluss-Stutzen Kunststoff incl. Dichtung für BAU5043 | JEP10007MS |
NLA
|
||||||||||
| 23 | Anschluss-Stutzen Edelstahl incl. Dichtung für BAU5043 | JEP10008 | 22,50 | ||||||||||
| 36 | Lüftermotor | JGC100110 | 460,00 | (225,00) | |||||||||
| Heizung mit Kunststoffgehäuse 1992-96. Als Neuteile gibt es noch den | |
|
|||||||||||
| 35/45 | Wärmetauscher mit Anschlussstutzen aus Edelstahl | JEF10005K | 115,00 | ||||||||||
| 35/45 |
Wärmetauscher
mit Anschlussstutzen aus Messing |
JEF10005M |
147,50 |
||||||||||
| 35/45 | Wärmetauscher ohne Anschlussstutzen | JEF10005 | 85,00 | ||||||||||
| 35Z | Anschlussstutzen Edelstahl mit Dichtungsmaterial | JEP10008 | 22,50 | ||||||||||
| 39 | einstufiger Schalter | YUF101090 | 13,00 | |
|||||||||
| 49 | zweistufiger Schalter | YUF101410 | 23,20 |
|
|||||||||
| 44 | Komplettgehäuse für einstufigen Lüfter gebraucht | (65,00) | |||||||||||
| 50 | Vorwiderstand für 2-stufiges Gebläse zwar Originalteil, aber keine gute Qualität | JGM100100 | 70,20 | ||||||||||
|
17H8608 | Wärmetauscher
1963-68 |
130,00 | |||||||||||
| 37H7216 | Wärmetauscher 1969-84 | 111,50 | ||||||||||||
| BAU5043 | Wärmetauscher | 78,00 | ||||||||||||
| BAU5043M | Wärmetauscher aus Metall nicht original aber solider | 115,00 | ||||||||||||
| JEF10005 | Wärmetauscher mit Anschlussstutzen | 115,00 | ||||||||||||
| JGC100110 | Lüftermotor
gebraucht (Neuteil € 460) |
225,00 | ||||||||||||
| JEC10109 | Heizungsanlage komplett | NLA |
||||||||||||